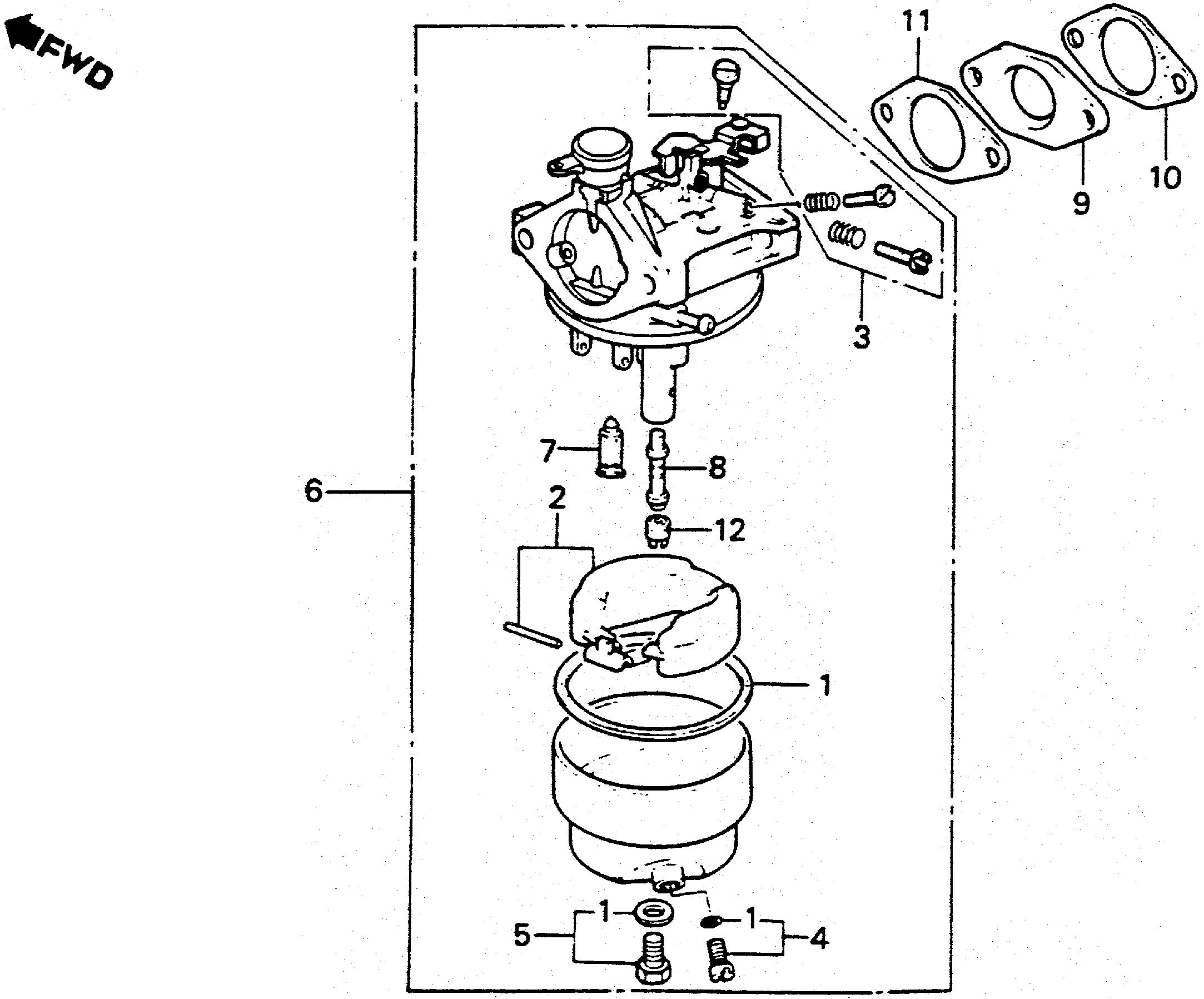
Snow Blowers HS HS50 HS50 TA HS50-1000534-9999999 CARBURETOR - Rons Rent-It Center, Inc.

Ref No
Part Number
Description
Serial Range
Qty
Price

Ref No
1
Part Number
16010-YA0-801
Description
GASKET SET
Serial Range
1000001 - 9999999
Qty
Price
$24.74

Ref No
2
Part Number
16013-883-005
Description
FLOAT SET
Serial Range
1000001 - 9999999
Qty
Price
$37.64

Ref No
3
Part Number
16016-730-015
Description
SCREW SET A
Serial Range
1000001 - 9999999
Qty
Price
$21.06

Ref No
3
Part Number
16016-YA0-801
Description
SCREW SET
Serial Range
1000001 - 9999999
Qty
Price
$21.06

Ref No
4
Part Number
16024-890-731
Description
SCREW SET, DRAIN (NOT AVAILABLE)
Serial Range
1000001 - 9999999

Ref No
5
Part Number
16028-883-005
Description
SCREW SET B
Serial Range
1000001 - 9999999

Ref No
5
Part Number
16028-ZK7-S91
Description
SCREW SET
Serial Range
1000001 - 9999999
Qty
Price
$13.14

Ref No
6
Part Number
16100-732-015
Description
CARBURETOR ASSY. (NOT AVAILABLE)
Serial Range
1000001 - 9999999

Ref No
7
Part Number
16155-883-005
Description
VALVE, FLOAT
Serial Range
1000001 - 9999999

Ref No
8
Part Number
16166-883-005
Description
NOZZLE, MAIN
Serial Range
1000001 - 9999999
Qty
Price
$12.38

Ref No
9
Part Number
16211-883-000
Description
INSULATOR, CARBURETOR
Serial Range
1000001 - 9999999
Qty
Price
$16.56

Ref No
10
Part Number
16212-883-800
Description
GASKET, INSULATOR
Serial Range
1000001 - 9999999
Qty
Price
$2.38

Ref No
11
Part Number
16221-883-306
Description
GASKET, CARBURETOR
Serial Range
1000001 - 9999999

Ref No
11
Part Number
16221-887-800
Description
GASKET, CARBURETOR
Serial Range
1000001 - 9999999
Qty
Price
$3.24

Ref No
12
Part Number
99101-124-0720
Description
JET, MAIN (#72)
Serial Range
1000001 - 9999999
Qty
Price
$10.98